階梯電價電表:
“階梯電價”全名為“階梯式累進電價”,是指把戶均用電量設置為若干個階梯,第一階梯為基數電電力設施量,此階梯內電量較少,每千瓦時電價也較低;第二階梯電量較高,電價也較高一些,第三階梯電量更多,電價也更高。
功能特點:
1、液晶顯示,顯示內容清晰、直觀。
2、使用加密卡和DES動態加密算法,系統數據安全可靠。
3、采用大功率磁保持繼電器,過載能力強,動作靈敏可靠。
4、插卡后回寫電表參數功能,設計嚴謹,不會引起用電糾紛。
5、精度高、性能穩定、自身功耗低、防竊電、長期使用無需調校。
6、網絡更改電價功能:當電價發生改變時,可通過485網絡將新電價信息傳遞給電表。
7、控制通斷電功能:通過485網絡,物業管理部門足不出戶便可控制用戶電表通、斷電。
8、階梯電價功能:可根據當地用電管理部門的要求,任意設置階梯,實現按階梯用量收費。
9、斷電報警功能:當剩余電量不多達到設定報警值時,電表自動斷電,以提醒用戶及時購電。
10、聯網抄表功能:帶有485接口,可隨時抄收各表的用電情況,便于管理部門統計月度用電量。
11、負荷控制功能:當負荷超過設定值時,電表自動斷電,負荷降低后5分鐘左右電表自動恢復供電。
DDSY825預付費電表具有多種防竊電功能,DDSY825預付費電表起動電流小、無潛動、寬負荷、低功耗,DDSY預付費電表誤差曲線平直、長期運行時穩定性好,DDSY預付費電表外形美觀、體積小、重量輕、安裝方便。 DDSY預付費電表準確度高:全電子式設計,內置進口專用芯片,精度不受頻率、溫度、電壓,高次諧波影響。 長壽命 :采用SMT技術,優化的電路設計,整機出廠后無需調整電路。 功耗低:采用低功耗設計,降低電網線損。 預購電量;非接觸IC卡傳遞數據,實現數據回讀,包括:回讀總電量,剩余電量,表內累積購電量,總購電次數等信息。 儲存表常數、初始值、用戶住址、姓名等信息。 超負荷報警斷電、剩余電量報警,提醒用戶及時購電。 技術參數:采用長壽命基表,延長使用周期 精度等級為2級 電流量程; 5(20)A 5(30)A 10(40)A 20(80)A 30(100)A 功耗:≤1W 主要技術指標 1、 采用美國進口芯片,穩定準確,性能可靠 2、 準確度等級:1.0級,2.0級,符合GB/T17215-1998、IEC1036-1996 3、 電流規格: 5(20)A,5(30)A,10(40)A,20(80)A 30(100)A 4、 額定電壓:AC220V 5、 額定頻率:50Hz 6、 起動電流:0.4%Ib 7、 功耗:≤1W 8、 環境工作條件:-20℃~+55℃,相對濕度不超過85%(溫度+25℃) 9、 抗電磁干擾能力強,可在惡劣電力環境下運行 10、強化工藝控制,獨特工藝保證,高可靠性設計 11、帶485通訊接口
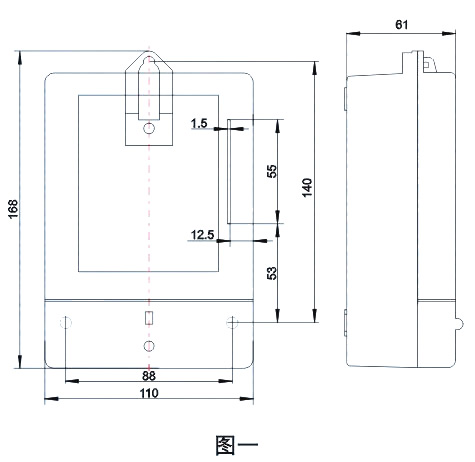
單相預付費電表尺寸圖

|